Frequently Asked Questions about the Prius Mini-Scanner

I should admit right at the start that nobody has actually asked a lot of these questions.  But they might.  So here are the answers anyway.

Is the Mini-Scanner Safe to Use in My Car?

I have designed the Mini-Scanner according to the relevant industry standards, particularly ISO9141-2.  By design, it meets the requirements of a diagnostic tester, with the exception that it cannot sink 2 amps from the K and L lines, but I'm damned if I can see how this need can arise.  (Note that most other DLC adapter circuits published are less in compliance with the standard even though they claim full compliance.)  In addition, the vehicle power is protected by a ferrite core against electrical interference and a 250 mA self-repairing fuse against overcurrent.  I have had a Mini-Scanner permanently connected to my own car for more than a month.  So, from an engineering point of view, I have done all I reasonably can to make sure the Mini-Scanner will not hurt your car.

However, you must use the Mini-Scanner in a safe and responsible way.  Operating it (other than glancing at the display) while driving will reduce your attention to road conditions and traffic and may be unsafe.  I strongly recommend that you don't do this and I take no responsibility for anything that happens if you do.  In fact, I require you to sign an agreement to this effect when you purchase a Mini-Scanner.

How do I Fix the Mini-Scanner In Place?

I figured this out rather late so early adopters might be lacking this information.  The installation instructions now include a description of how I made a bracket out of a scrap of aluminum flashing.  Shipments now include a pre-drilled bracket, but you must bend it yourself and stick padding on.  The holes must be dented to fit in the depressions in the back of the case in order for the standard screws to work.  Not everyone has fixed their Mini-Scanner in this way and you should do whatever is best for you.  Adhesive Velcro™ tape should be quick and simple.  Please make sure the Mini-Scanner doesn't come loose while you're driving as this will be distracting to the driver.  I have found it best to have the display pointed at my chin to avoid reflections and get the best contrast.

Will the Mini-Scanner Work with Cars Other Than the Prius?

The short answer to this question is No.  This is because I intend to concentrate on the development of software for the scanner to work with the Prius.  The hardware of the mini-scanner is suitable for operation with other cars, especially those using the ISO 9141-2 protocol on the diagnostic bus.  However, the Prius also supports the ISO 14230 "Keyword Protocol 2000" (KWP2000) and this is what I will be using.  There are two important reasons for this choice.  First, the Prius has multiple ECUs (computers) and many pieces of information are present in more than one ECU.  Using ISO 9141-2, the scanner broadcasts a request for information and all the ECUs that have that information respond one after the other.  In most cases, we only want the response from one ECU.  For example, when we ask for the engine r.p.m., we only want the response from the Engine ECU.  The response from the Hybrid Vehicle ECU is not the measured r.p.m. but is probably the value it has requested from the engine.  Using KWP2000, the scanner can ask a specific ECU for information.  This avoids having ECUs do work unnecessarily, clears the bus more quickly for the next message and simplifies receiving responses.  Second, the length of an ISO 9141-2 message is not explicitly encoded in the message.  Quite apart from the additional difficulty of sending and receiving such messages, this is in my opinion a serious design flaw and I am much more comfortable with the better design of KWP2000.

Will the Mini-Scanner Work with the 2004 Model Year Prius?

Unfortunately, no.  Toyota have changed the way that their scanner gets at diagnostic information in the 2004 car.  Information mandated by law is (presumably) still available on the ISO 9141-2 bus, but all of the interesting stuff has been removed and is now accessed using a CAN (Controller Area Network) bus.  There are no definite plans at this time for a Mini-Scanner for the 2004 Prius.  Connecting to the CAN bus is not a problem as it still appears at the Diagnostic Link Connector.  The difficulty will be discovering the format of the messages that are sent on the bus to get information from the car.

Can I Modify the Mini-Scanner Hardware?

The scanner is a tight fit in its box, so there is not really room for much in the way of modifications.  However, if you remove it from its box you could add a separate board for modifications.  To facilitate this, on the production PCB there is a 10-pin header between the On/Reset button and the Left button.  Two pins are pre-wired to ground and +3.3V; the other eight are unconnected.  The unused port pins of the Z8Encore! microcontroller are not tied off to ground or supply, so they can be connected to these pins with wires on the underside of the board.  There is also a place for an additional push-button switch at the top right corner and a small prototyping area of spare vias.

 <<<Note to self: measure current from 3.3V supply.>>>

If you modify your mini-scanner and it stops working, I will do my best to help you repair it but I cannot do this for no charge.

Can I Modify the Mini-Scanner Software (Firmware)?

Yes.  I've chosen the Z8Encore! microcontroller so that it is less limiting of what the unit can do than other more well-known microcontrollers, such as the PIC.  It has 64 Kbytes of program memory and 4 Kbytes of data memory.  Sure, it costs more, but the most costly part of the mini-scanner is the display.  To write your own software to run on the mini-scanner, you will need the ZiLOG software development tools (ZDS II - Z8Encore!) and a debug port adapter.  Please ask to have the six-pin debug connector included on your mini-scanner when you order.  There is no charge, but I'd rather people not ask for it if they don't need it.  It can be added later if you change your mind.

The Z8Encore! development kit (ZiLOG part Z8ENCORE000ZCO) is currently a steal at $49.95 (in the U.S.A.).  It includes ZDS II, the debug adapter, an Evaluation Board, universal power supply, cables, etc.  The Mouser stock number is 692-Z8ENCORE000ZCO.  DigiKey also have it.  In the United Kingdom, try Farnell, Order code 4403344, price £31.99 + VAT for a total of £37.59 with free delivery.

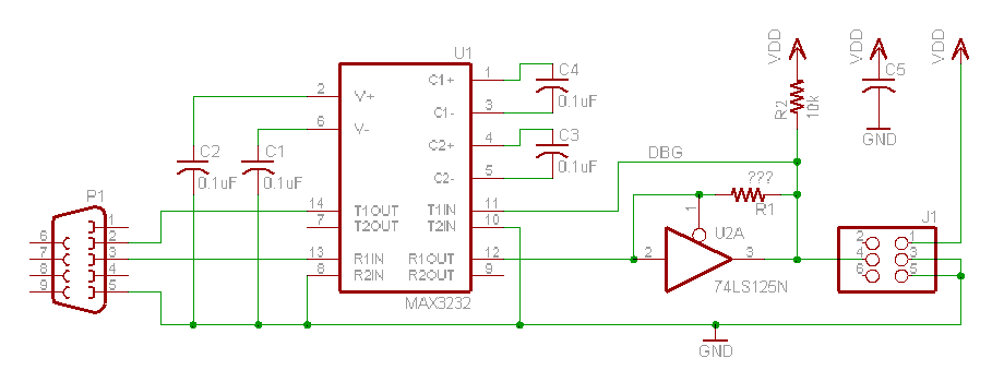
You don't really need the evaluation board if you have a mini-scanner.  If you don't care to buy the kit or it is not available or not reasonably priced in your corner of the world, you can get by without it.  ZDS II and a whole lot of related documentation is available from ZiLOG, see links below.    If you download the tools, you're still missing the debug adapter.  There is a section in the Z8Encore! Product Specification about what is needed.  The adapter in the evaluation kit differs slightly from what is shown there, however, so I have redrawn its schematic and you can see it here.  What I show as a 74LS125 is actually a 74LVC1G125, which is a minuscule five-pin IC containing a single tri-state buffer.  I've no idea what purpose the mystery resistor serves.  Please note that on the mini-scanner I've connected pin 6 of the debug connector to GND as well as pins 3 and 5 to make the PCB layout a bit easier.

I eventually plan to share the Mini-Scanner software, though I will provide some parts (e.g. the operating system and the Flash Loader) as object modules; source will be extra cost.  I will call this the "Firmware Development Kit" (FDK).

ZiLOG links (Note: I don't know whether ZiLOG intend these links to be public so that people can get this stuff for free so please don't call for technical support and tell ZiLOG I published these links):

Is the Cable I need for Updating Firmware the Same One as for Logging to a PC?

Yes.  Whether you buy the optional cable or make up your own, the same serial cable can be used for updating firmware, logging data and controlling the Mini-Scanner.

I Left my Car in the Hot Sun and the Mini-Scanner Display Went Black.  Is it Broken?

No.  This is what happens to Liquid Crystal Displays (LCDs) when they get hot.  Everything will be OK again when it cools down.  Mind you, like all electronic equipment, the Mini-Scanner will not like high temperatures.  If you're going to leave the car in hot sun, you might want to cover it to keep the sun off it and maybe not turn it on until the car cools down a little  Also, if you take it apart to spray paint the case, note that darker colors will cause it to heat up more.

Why Does my Mini-Scanner Not Always Turn On at the First Press of the On/Reset Button?

I appear to have made the Mini-Scanner hardware design a bit over-eager to turn itself off.  This was out of fear that it would stay on and drain someone's auxiliary battery.  Sometimes, it turns itself off right after you turn it on.  Just press the On/Reset button again.  Since my Mini-Scanner in my car (and yours in my car when I tested it) comes on with the first press most of the time, my position is to put up with having to sometimes try again.  If you find that you have to press the button more than once most of the time, you would be justified in wanting this fixed.  I have figured out a modification and this is available to anyone who wants it.  If you're handy with a soldering iron, you can make the change yourself or you can return the Mini-Scanner to me at my expense for me to repair.

There has been one report of the Mini-Scanner spontaneously turning off.  This is obviously more serious than a bit of difficulty turning it on, especially if you're performing an experiment and logging data to a computer.  If you experience this, I recommend that you pursue the modification.

I Think my Mini-Scanner did Not Turn Itself Off.  What Should I Do?

If you come back to the car after turning it off and you find the Mini-Scanner still on, this is a serious problem.  If you were gone for long enough (just a few days if the backlight was on), the car's auxiliary battery would be drained.  However, if you were an early adopter and are still using the unreleased firmware that shipped in the unit, you must update to a released firmware version.  This was part of the deal for people who wanted their Mini-Scanners early.  If you are using a released firmware version, that is 0.10 or above, then I have a problem.  Please tell me as much as possible about what the Mini-Scanner was doing when you found it still on.  I will refund the purchase price if you have this problem and are unsatisfied.

User Manual Home

Mini-Scanner Home

Prius Home

Last edited November 2, 2003.  All material Copyright ©  2003 Graham Davies.  No liability accepted.